The Toyota Hiace Wiring Diagrams are an essential collection of diagrams specifically designed to provide important information about the electrical system and wiring connections of the Toyota Hiace vehicle. These comprehensive diagrams cover various aspects of the vehicle’s electrical components, circuits, and connections.
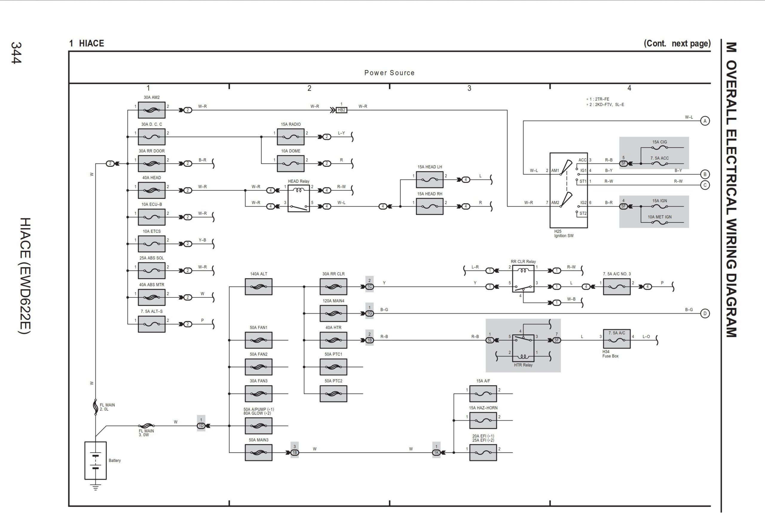
The Toyota Hiace Wiring Diagrams provide detailed information on the electrical layout of the vehicle. They include comprehensive diagrams and illustrations that clearly depict the wiring connections, color codes, and component locations. This information is crucial for understanding the electrical system and diagnosing any electrical issues that may arise.
Additionally, the diagrams include important information about the various electrical components and their functions. They provide detailed descriptions and specifications for each component, such as the battery, alternator, starter motor, fuse box, and various sensors. Understanding the functions and specifications of these components is crucial for proper maintenance and troubleshooting.
The Toyota Hiace Wiring Diagrams also provide troubleshooting tips and recommended actions for common electrical issues. They include diagnostic procedures and test points to help owners identify and resolve electrical problems. Following these procedures and recommendations ensures efficient troubleshooting and repairs.
Furthermore, the diagrams include safety information and operational guidelines related to the electrical system. They provide information on proper handling of electrical components, precautions to take when working with the electrical system, and safety measures to prevent electrical hazards. Following these guidelines ensures personal safety and prevents damage to the vehicle’s electrical system.
It is important to note that the Toyota Hiace Wiring Diagrams are designed specifically for vehicle technicians and provide essential information to supplement the vehicle’s original documentation. They are intended for those with a good understanding of electrical systems and wiring diagrams. Following the information and guidelines outlined in the diagrams is crucial for proper understanding and troubleshooting of the electrical system in the Toyota Hiace.
To summarize, the Toyota Hiace Wiring Diagrams are an essential resource for vehicle technicians working on the electrical system of the Toyota Hiace. They provide detailed information, diagrams, troubleshooting tips, recommended actions, and safety guidelines. Following the information and guidelines in the diagrams ensures efficient troubleshooting, repairs, and maintenance of the electrical system in the Toyota Hiace.
Language: English
Format: PDF
Pages: 48


