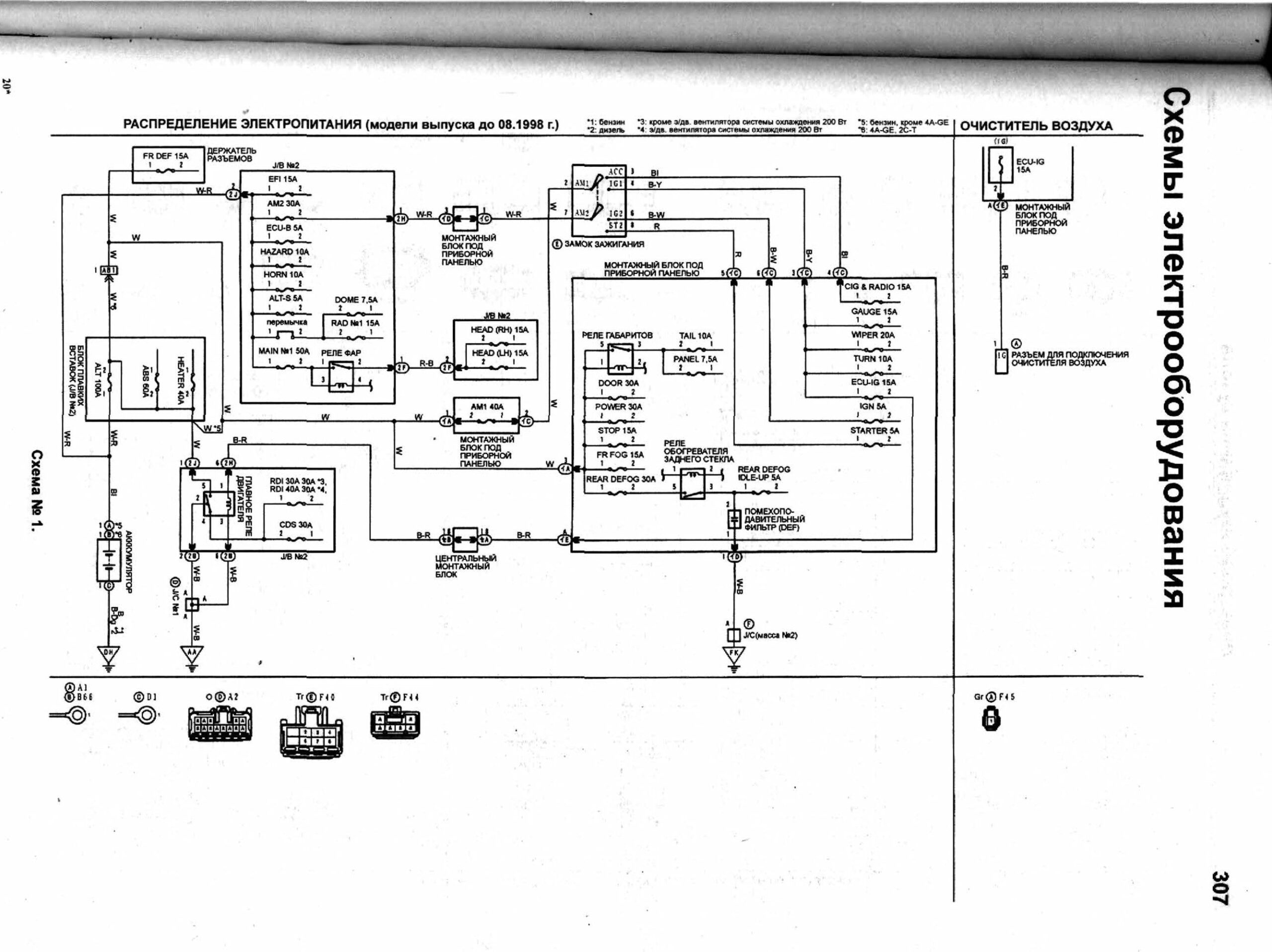
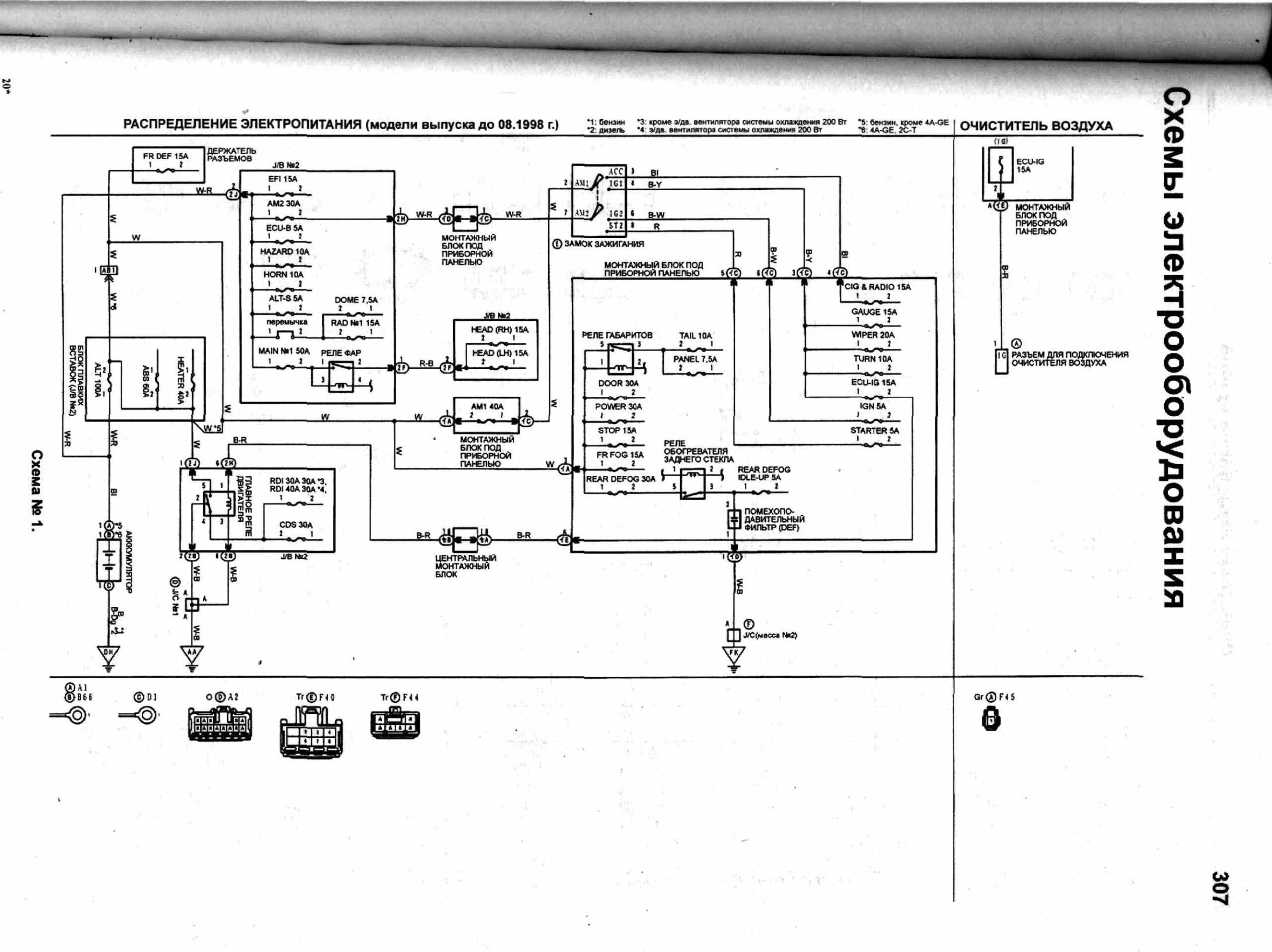
The Toyota Carina from 1996-2001 Wiring Diagram is an essential resource for technicians and mechanics working on Toyota Carina vehicles produced between 1996 and 2001. This comprehensive wiring diagram provides detailed information about the electrical wiring and circuits in the Carina.
One of the key highlights of the Toyota Carina from 1996-2001 Wiring Diagram is its thorough coverage of all electrical components and systems in the vehicle. From the engine and transmission to the lighting and audio systems, this diagram provides comprehensive information on the wiring connections, wire color codes, and circuit configurations for each component. Technicians can rely on this diagram to access vital information about the electrical systems in the Carina.
The Toyota Carina from 1996-2001 Wiring Diagram offers a detailed visual representation of the electrical wiring in the vehicle. It includes clear and labeled illustrations, ensuring that technicians have all the necessary information to effectively diagnose and repair electrical issues in the Carina.
In addition to the comprehensive coverage, the Toyota Carina from 1996-2001 Wiring Diagram includes wiring descriptions and connector pinouts for different electrical components. These descriptions and pinouts provide vital information on the function and connection points of each wire and connector, allowing technicians to accurately diagnose and repair electrical issues in the vehicle.
Furthermore, the Toyota Carina from 1996-2001 Wiring Diagram provides troubleshooting guides for common electrical problems that may arise in the vehicle. These guides offer a systematic approach to identify and resolve electrical issues, helping technicians accurately diagnose the root cause of a problem and implement the appropriate solutions.
It is important to note that the Toyota Carina from 1996-2001 Wiring Diagram is a technical resource designed for professionals who possess the necessary knowledge and expertise in electrical systems. The diagram provides detailed information and specifications, allowing technicians to effectively diagnose and repair electrical issues in the Carina.
With its thorough coverage of electrical components and systems, detailed visual representation, wiring descriptions, and troubleshooting guides, the Toyota Carina from 1996-2001 Wiring Diagram is an essential tool for technicians and mechanics working on Toyota Carina vehicles from 1996 to 2001. By utilizing this diagram, professionals can confidently diagnose and repair electrical issues, ensuring the optimal performance and reliability of the electrical systems in the Carina.
Trust in the information provided by the Toyota Carina from 1996-2001 Wiring Diagram to effectively diagnose and repair electrical issues in the Carina. This diagram serves as a comprehensive resource, enabling technicians and mechanics to provide reliable and high-quality service to Toyota Carina owners from 1996 to 2001.
Language: English
Format: PDF
Pages: 54


