In this article we take a look at the first generation GMC Canyon, produced from 2004 to 2012. Here you will find the GMC Canyon 2004, 2005, 2006, 2007, 2008, 2009, 2010, 2011 and 2012 fuse box outline, information on the location of the fuse boxes inside the vehicle and the allocation of each fuse (fuse layout) and relay.
The fuses for the cigar lighter socket on the GMC Canyon are fuses #2 and #33 (or “AUX PWR 1” and “AUX PWR 2”) in the engine compartment fuse box.
Fuse box location
The engine compartment fuse box is located on the driver side of the engine compartment.


Fuse box diagrams
2004

Assignment of the fuses in the engine compartment (2004)
| Name | Usage |
|---|---|
| 1 | Brake Switch, Stoplamps |
| 2 | Auxiliary Power 1 |
| 5 | Air Conditioning Control Head |
| 8 | Wiper/Washer Switch |
| 9 | Fog Lamps |
| 10 | Ignition Transducers |
| 11 | Driver’s Side Headlamp |
| 12 | Passenger’s Side Headlamp |
| 13 | Fuel Pump |
| 14 | Wiper |
| 15 | Front Axle Actuator |
| 16 | Antilock Brake System (ABS), ABS module, Four-Wheel Drive, Gravity Sensor |
| 17 | Supplemental Inflatable Restraint System, Sensing and Diagnostic Module, Air Bag Off Switch |
| 18 | Heated Seat |
| 19 | Cruise Control Switch, Inside Rearview Mirror, Transfer Case Control Module, Brake Switch, Clutch Disable |
| 20 | Electronic Throttle Control (ETC) |
| 21 | Power Door Locks |
| 22 | Injectors |
| 23 | Ignition, Clutch Starter Switch, Neutral Safety Back-Up Switch, Ignition Coils 1-5, Air Conditioning Relay |
| 24 | Transmission Solenoid |
| 25 | Powertrain Control Module (PCM) |
| 26 | Back-up Lights |
| 27 | ERLS, Map Sensor, Can Purge Solenoid |
| 28 | Rear Turn/Hazard Lights |
| 29 | Driver’s Side RearTaillamp, Passenger Side Air Bag Indicator Lighting, Instrument Panel Dimming Power (2WD/4WD switch lighting) |
| 30 | Powertrain Control Module (PCM) B |
| 31 | OnStar |
| 32 | Radio |
| 33 | Auxiliary Power 2 |
| 34 | Truck Body Controller |
| 35 | Horn |
| 36 | Transfer Case Control Module |
| 37 | Turn/Hazard/Courtesy/Cargo Lamps/Mirrors |
| 38 | Cluster |
| 39 | Rear Parking Lamp 1, Passenger’s Side Taillamp, License Plate Lamps |
| 40 | Front Park/Turn Lamps, Driver and Passenger’s Side Power Window Switches Lighting |
| 41 | Climate Control Fan |
| 42 | Power Windows |
| 43 | Starter Solenoid Relay |
| 44 | Antilock Brake System 2 (ABS Pump) |
| 45 | Antilock Brake System 1 (ABS Logic) |
| 46 | Power Seat Circuit Breaker/POA Seat |
| 69 | Fuel Canister Vent Solenoid |
| 72 | Not Used |
| 73 | Not Used |
| 74 | Not Used |
| 75 | Not Used |
| 77 | Air Conditioning Compressor |
| 79 | Oxygen Sensors |
| Relays | |
| 47 | Beam Selection |
| 50 | Air Conditioning Compressor |
| 51 | Fuel Pump, Fuel Pump Fuse |
| 52 | Fog Lamps |
| 53 | Front Parting Lamp Fuse, Driver and Passenger’s Taillamp Fuse, Rear Parting Lamps |
| 54 | Driver and Passenger’s Headlamps Fuse |
| 55 | Horn |
| 56 | Electronic Throttle Control Fuse, Oxygen Sensor Fuse |
| 57 | Wipers (On/Off) |
| 58 | Power Window Fuse, Wiper/Washer Switch Fuse, (Retained Accessory Power Mode) |
| 59 | Ignition 3, Climate Control, Climate Control Head Fuse |
| 61 | Run/Crank, Air Bag System Fuse, Cruise Control Fuse, Ignition Fuse, Back-Up Lamps, ABS Fuse, ERLS, Front Axle, PCM-1, Injectors Fuse |
| 62 | Starter Relay (PCM Relay) |
| 63 | Wiper 2 (High/Low) |
| Miscellaneous | |
| 64 | Diode — Wiper |
| 65 | Diode — Air Conditioning, Clutch |
| 66 | Mega Fuse |
| 67 | Not Used |
2005

Assignment of the fuses in the engine compartment (2005)
| Name | Usage |
|---|---|
| AUX PWR 1 | Accessory Power 1 |
| STOP | Brake Switch, Stoplamps |
| BLWR | Climate Control Fan |
| S/ROOF | Sunroof (If Equipped) |
| A/C | Air Conditioning Control Head, Power Seats |
| PWR/SEAT | Power Seat Circuit Breaker (If Equipped) |
| RT HDLP | Passenger Side Headlamp |
| LT HDLP | Driver Side Headlamp |
| AUX PWR 2 | Accessory Power 2 |
| FOG/LAMP | Fog Lamps (If Equipped) |
| A/C CMPRSR | Air Conditioning Compressor |
| WSW | Wiper/Washer Switch |
| PWR/WNDW | Power Windows (If Equipped) |
| FUEL/PUMP | Fuel Pump |
| STRTR | Starter Solenoid Relay |
| WPR | Wiper |
| ABS 2 | Antilock Brake System 2 (ABS Pump) |
| DRL/LCK | Power Door Locks (If Equipped) |
| ETC | Electronic Throttle Control (ETC) |
| O2 SNSR | Oxygen Sensors, Air Injection Reactor (AIR) Relay |
| CRUISE | Cruise Control Switch, Inside Rearview Mirror, Transfer Case Control Module, Brake Switch, Clutch Disable |
| HTD/SEAT | Heated Seat (If Equipped) |
| AIRBAG | Supplemental Inflatable Restraint System, Sensing and Diagnostic Module, Airbag Off Switch |
| ABS | Antilock Brake System (ABS), ABS Module, Four-Wheel Drive, Gravity Sensor |
| BCK/UP | Back-up Lights |
| FRT/AXLE | Front Axle Actuator |
| TRN/HAZRD REAR | Rear Turn/Hazard Lights |
| ERLS | ERLS, Map Sensor, Can Purge Solenoid |
| PCMI | Powertrain Control Module (PCM) |
| TRANS | Transmission Solenoid |
| IGN | Ignition, Clutch Starter Switch, Neutral Safety Back-Up Switch, Ignition Coils 1-5, Air Conditioning Relay |
| INJ | Injectors |
| ABS 1 | Antilock Brake System 1 (ABS Logic) |
| FRT PRK LAMP | Front Park/Turn Lamps, Driver and Passenger Side Power Window Switches Lighting |
| REAR PRK LAMP | Rear Parking Lamp 1, Passenger Side Taillamp, License Plate Lamps |
| REAR PRK LAMP2 | Driver Side Rear Taillamp, Passenger Side Airbag Indicator Lighting, Instrument Panel Dimming Power (2WD/4WD switch lighting) |
| CLSTR | Cluster |
| TRN/HAZRD FRT | Turn/Hazard/Courtesy/Cargo Lamps/Mirrors |
| TCCM | Transfer Case Control Module |
| HORN | Horn |
| TBC | Truck Body Controller |
| IGN TRNSD | Ignition Transducers |
| RDO | Radio |
| ONSTAR | OnStar® |
| CNSTR VENT | Fuel Canister Vent Solenoid |
| PCM B | Powertrain Control Module (PCM) B |
| Relays | |
| BEAM SEL | Beam Selection |
| IGN 3 HVAC | Ignition 3, Climate Control, Climate Control Head Fuse |
| RAP | Retained Accessory Power (Power Window Fuse, Wiper/Washer Switch Fuse) |
| PRK/LAMP | Front Parting Lamp Fuse, Rear Parting Lamps |
| HDLP | Headlamps |
| FOG/LAMP | Fog Lamps (If Equipped) |
| FUEL/PUMP | Fuel Pump, Fuel Pump Fuse |
| A/C CMPRSR | Air Conditioning Compressor |
| RUN/CRNK | Run/Crank, Airbag System Fuse, Cruise Control Fuse, Ignition Fuse, Back-Up Lamps, ABS Fuse, ERLS, Front Axle, PCM-1, Injectors Fuse |
| PWR/TRN | Powertrain, Electronic Throttle Control Fuse, Oxygen Sensor Fuse |
| HORN | Horn |
| WPR 2 | Wiper 2 (High/Low) |
| WPR | Wipers (On/Off) |
| STRTR | Starter Relay (PCM Relay) |
| Miscellaneous | |
| WPR | Diode — Wiper |
| A/C CLTCH | Diode — Air Conditioning, Clutch |
| MEGA FUSE | Mega Fuse |
2006

Assignment of the fuses in the engine compartment (2006)
| Name | Usage |
|---|---|
| DRL | Daylight Running Lamps |
| AUX PWR 1 | Accessory Power 1 |
| STOP | Brake Switch, Stoplamps |
| BLWR | Climate Control Fan |
| S/ROOF | Sunroof (If Equipped) |
| A/C | Air Conditioning Control Head |
| PWR/SEAT | Power Seat Circuit Breaker (If Equipped) |
| RT HDLP | Passenger Side Headlamp |
| LT HDLP | Driver Side Headlamp |
| AUX PWR 2 | Accessory Power 2 |
| FOG/LAMP | Fog Lamps (If Equipped) |
| A/C CMPRSR | Air Conditioning Compressor |
| WSW | Wiper/Washer Switch |
| PWR/WNDW | Power Windows (If Equipped) |
| FUEL/PUMP | Fuel Pump |
| STRTR | Starter Solenoid Relay |
| WPR | Wiper |
| ABS 2 | Antilock Brake System 2 (ABS Pump) |
| DRL/LCK | Power Door Locks (If Equipped) |
| ETC | Electronic Throttle Control (ETC) |
| O2 SNSR | Oxygen Sensors |
| CRUISE | Cruise Control Switch, Inside Rearview Mirror, Transfer Case Control Module, Brake Switch, Clutch Disable |
| HTD/SEAT | Heated Seat (If Equipped) |
| AIRBAG | Anti-lock Brake System (ABS), ABS module, Four-Wheel Drive, Gravity Sensor |
| ABS | Antilock Brake System (ABS), ABS Module, Four-Wheel Drive, Gravity Sensor |
| BCK/UP | Back-up Lights |
| FRT/AXLE | Front Axle Actuator |
| TRN/HAZRD REAR | Rear Turn/Hazard Lights |
| ERLS | ERLS, Map Sensor, Can Purge Solenoid |
| PCMI | Powertrain Control Module (PCM) |
| TRANS | Transmission Solenoid |
| IGN | Ignition, Clutch Starter Switch, Neutral Safety Back-Up Switch, Ignition Coils 1-5, Air Conditioning Relay |
| INJ | Injectors |
| ABS 1 | Antilock Brake System 1 (ABS Logic) |
| FRT PRK LAMP | Front Park/Turn Lamps, Driver and Passenger Side Power Window Switches Lighting |
| REAR PRK LAMP | Rear Parking Lamp 1, Passenger Side Taillamp, License Plate Lamps |
| REAR PRK LAMP2 | Driver Side Rear Taillamp, Passenger Side Airt>ag Indicator Lighting, Instrument Panel Dimming Power (2WD/4WD switch lighting) |
| CLSTR | Cluster |
| TRN/HAZRD FRT | Turn/Hazard/Courtesy/Cargo Lamps/Mirrors |
| TCCM | Transfer Case Control Module |
| HORN | Horn |
| TBC | Truck Body Controller |
| IGN TRNSD | Ignition Transducers |
| RDO | Radio |
| ONSTAR | OnStar |
| CNSTR VENT | Fuel Canister Vent Solenoid |
| PCM B | Powertrain Control Module (PCM) B |
| Relays | |
| DRL | Daylight Running Lamps |
| BEAM SEL | Beam Selection |
| IGN 3 HVAC | Ignition 3, Climate Control, Climate Control Head Fuse, Power Seat Fuse |
| RAP | Retained Accessory Power (Power Window Fuse, Wiper/Washer Switch Fuse), Sunroof Fuse |
| PRK/LAMP | Front Parking Lamp Fuse, Rear Parking Lamps |
| HDLP | Headlamps |
| FOG/LAMP | Fog Lamps (If Equipped) |
| FUEL/PUMP | Fuel Pump, Fuel Pump Fuse |
| A/C CMPRSR | Air Conditioning Compressor |
| RUN/CRNK | Run/Crank, Airbag System Fuse, Cruise Control Fuse, Ignition Fuse, Back-Up Lamps, ABS Fuse, Front Axle, PCM-1, Injectors Fuse, Transmission Fuse |
| PWR/TRN | Powertrain, Electronic Throttle Control Fuse, Oxygen Sensor Fuse |
| HORN | Horn |
| WPR 2 | Wiper 2 (High/Low) |
| WPR | Wipers (On/Off) |
| STRTR | Starter Relay (PCM Relay) |
| Miscellaneous | |
| WPR | Diode — Wiper |
| A/C CLTCH | Diode — Air Conditioning, Clutch |
| MEGA FUSE | Mega Fuse |
2007

Assignment of the fuses in the engine compartment (2007)
| Name | Usage |
|---|---|
| DRL | Daylight Running Lamps |
| AUX PWR 1 | Accessory Power 1 |
| STOP | Brake Switch, Stoplamps |
| BLWR | Climate Control Fan |
| S/ROOF | Sunroof (If Equipped) |
| A/C | Air Conditioning Control Head, Power Seats |
| PWR/SEAT | Power Seat Circuit Breaker (If Equipped) |
| RT HDLP | Passenger Side Headlamp |
| LT HDLP | Driver Side Headlamp |
| AUX PWR 2 | Accessory Power 2 |
| FOG/LAMP | Fog Lamps (If Equipped) |
| A/C CMPRSR | Air Conditioning Compressor |
| WSW | Wiper/Washer Switch |
| PWR/WNDW | Power Windows (If Equipped) |
| FUEL/PUMP | Fuel Pump |
| STRTR | Starter Solenoid Relay |
| WPR | Wiper |
| ABS 2 | Antilock Brake System 2 (ABS Pump) |
| DRL/LCK | Power Door Locks (If Equipped) |
| ETC | Electronic Throttle Control (ETC) |
| O2 SNSR | Oxygen Sensors |
| CRUISE | Cruise Control Switch, Inside Rearview Mirror, Transfer Case Control Module, Brake Switch, Clutch Disable |
| HTD/SEAT | Heated Seat (If Equipped) |
| AIRBAG | Supplemental Inflatable Restraint System, Sensing and Diagnostic Module |
| ABS | Antilock Brake System (ABS), ABS Module, Four-Wheel Drive, Gravity Sensor |
| BCK/UP | Back-up Lights |
| FRT/AXLE | Front Axle Actuator |
| TRN/HAZRD REAR | Rear Turn/Hazard Lights |
| ERLS | Mass Air Flow (MAF) Sensor, Can Purge Solenoid, Air Injection Reactor (AIR) Relay |
| PCMI | Powertrain Control Module (PCM) |
| TRANS | Transmission Solenoid |
| IGN | Ignition, Clutch Starter Switch, Neutral Safety Back-Up Switch, Ignition Coils 1-5, Air Conditioning Relay |
| INJ | Injectors |
| ABS 1 | Antilock Brake System 1 (ABS Logic) |
| FRT PRK LAMP | Front Park/Turn Lamps, Driver and Passenger Side Power Window Switches Lighting |
| REAR PRK LAMP | Rear Parking Lamp 1, Passenger Side Taillamp, License Plate Lamps |
| REAR PRK LAMP2 | Driver Side Rear Taillamp, Passenger Side Airbag Indicator Lighting, Instrument Panel Dimming Power (2WD/4WD switch Sghting) |
| CLSTR | Cluster |
| TRN/HAZRD FRT | Turn/Hazard/Courtesy/Cargo Lamps/Mirrors |
| TCCM | Transfer Case Control Module |
| HORN | Horn |
| TBC | Truck Body Controller |
| IGN TRNSD | Ignition Transducers |
| RDO | Radio |
| ONSTAR | OnStar |
| CNSTR VENT | Fuel Canister Vent Solenoid |
| PCM B | Powertrain Control Module (PCM) B |
| Relays | |
| DRL | Daylight Running Lamps |
| BEAM SEL | Beam Selection |
| IGN 3 HVAC | Ignition 3, Climate Control, Climate Control Head Fuse, Power Seat Fuse |
| RAP | Retained Accessory Power (Power Window Fuse, Wiper/Washer Switch Fuse), Sunroof Fuse |
| PRK/LAMP | Front Parking Lamp Fuse, Rear Parking Lamps |
| HDLP | Headlamps |
| FOG/LAMP | Fog Lamps (If Equipped) |
| FUEL/PUMP | Fuel Pump, Fuel Pump Fuse |
| A/C CMPRSR | Air Conditioning Compressor |
| RUN/CRNK | Run/Crank, Airbag System Fuse, Cruise Control Fuse, Ignition Fuse, Back-Up Lamps, ABS Fuse, Front Axle, PCM-1, Injectors Fuse, Transmission Fuse, ERLS |
| PWR/TRN | Powertrain, Electronic Throttle Control Fuse, Oxygen Sensor Fuse |
| HORN | Horn |
| WPR2 | Wiper 2 (High/Low) |
| WPR | Wipers (On/Off) |
| STRTR | Starter Relay (PCM Relay) |
| Miscellaneous | |
| WPR | Diode — Wiper |
| A/C CLTCH | Diode — Air Conditioning, Clutch |
| MEGA FUSE | Mega Fuse |
2008

Assignment of the fuses in the engine compartment (2008)
| Name | Usage |
|---|---|
| DRL | Daylight Running Lamps |
| AUX PWR 1 | Accessory Power 1 |
| BLWR | Climate Control Fan |
| S/ROOF | Sunroof (If Equipped) |
| A/C | Air Conditioning Control Head, Power Seats |
| PWR/SEAT | Power Seat Circuit Breaker (If Equipped) |
| RT HDLP | Passenger Side Headlamp |
| LT HDLP | Driver Side Headlamp |
| AUX PWR 2 | Accessory Power 2 |
| FOG/LAMP | Fog Lamps (If Equipped) |
| A/C CMPRSR | Air Conditioning Compressor |
| WSW | Wiper/Washer Switch |
| PWR/WNDW | Power Windows (If Equipped) |
| FUEL/PUMP | Fuel Pump |
| STRTR | Starter Solenoid Relay |
| WPR | Wiper |
| ABS 2 | Antilock Brake System 2 (ABS Pump) |
| DRL/LCK | Power Door Locks (If Equipped) |
| ETC | Electronic Throttle Control (ETC) |
| O2 SNSR | Oxygen Sensors, Air Injection Reactor (AIR) Relay |
| CRUISE | Cruise Control Switch, Inside Rearview Mirror, Transfer Case Control Module, Brake Switch, Clutch Disable |
| HTD/SEAT | Heated Seat (If Equipped) |
| AIRBAG | Supplemental Inflatable Restraint System, Sensing and Diagnostic Module |
| ABS | Antilock Brake System (ABS), ABS Module, Four-Wheel Drive, Gravity Sensor |
| BCK/UP | Back-up Lights |
| FRT/AXLE | Front Axle Actuator |
| TRN/HAZRD REAR | Rear Turn/Hazard Lights |
| ERLS | Mass Air Flow (MAF) Sensor, Can Purge Solenoid, Air Injection Reactor (AIR) Relay |
| PCMI | Powertrain Control Module (PCM) |
| TRANS | Transmission Solenoid |
| IGN | Ignition, Clutch Starter Switch, Neutral Safety Back-Up Switch, Ignition Coils 1-5, Air Conditioning Relay |
| INJ | Injectors |
| ABS 1 | Antilock Brake System 1 (ABS Logic) |
| FRT PRK LAMP | Front Park/Turn Lamps, Driver and Passenger Side Power Window Switches Lighting |
| REAR PRK LAMP | Rear Parking Lamp 1, Passenger Side Taillamp, License Plate Lamps |
| REAR PRK LAMP2 | Driver Side Rear Taillamp, Passenger Side Airbag Indicator Lighting, Instrument Panel Dimming Power (2WD/4WD switch lighting) |
| CLSTR | Cluster |
| TRN/HAZRD FRT | Turn/Hazard/Courtesy/Cargo Lamps/Mirrors |
| TCCM | Transfer Case Control Module |
| HORN | Horn |
| TBC | Truck Body Controller |
| IGN TRNSD | Ignition Transducers |
| RDO | Radio |
| ONSTAR | OnStar |
| CNSTR VENT | Fuel Canister Vent Solenoid |
| PCM B | Powertrain Control Module (PCM) B |
| Relays | |
| DRL | Daylight Running Lamps |
| BEAM SEL | Beam Selection |
| IGN 3 HVAC | Ignition 3, Climate Control, Climate Control Head Fuse, Power Seat Fuse |
| RAP | Retained Accessory Power (Power Window Fuse, Wiper/Washer Switch Fuse), Sunroof Fuse |
| PRK/LAMP | Front Parking Lamp Fuse, Rear Parking Lamps |
| HDLP | Headlamps |
| FOG/LAMP | Fog Lamps (If Equipped) |
| FUEL/PUMP | Fuel Pump, Fuel Pump Fuse |
| A/C CMPRSR | Air Conditioning Compressor |
| RUN/CRNK | Run/Crank, Airbag System Fuse, Cruise Control Fuse, Ignition Fuse, Back-Up Lamps, ABS Fuse, Front Axle, PCM-1, Injectors Fuse, Transmission Fuse, ERLS |
| PWR/TRN | Powertrain, Electronic Throttle Control Fuse, Oxygen Sensor Fuse |
| HORN | Horn |
| WPR 2 | Wiper 2 (High/Low) |
| WPR | Wipers (On/OfT) |
| STRTR | Starter Relay (PCM Relay) |
| Miscellaneous | |
| WPR | Diode — Wiper |
| A/C CLTCH | Diode — Air Conditioning, Clutch |
| MEGA FUSE | Mega Fuse |
2009, 2010

Assignment of the fuses in the engine compartment (2009, 2010)
| Name | Usage |
|---|---|
| O2 SNSR | Oxygen Sensors, Air Injection Reactor (AIR) Relay |
| A/C | Air Conditioning Control Head, Power Seats |
| A/C CMPRSR | Air Conditioning Compressor |
| ABS | Antilock Brake System (ABS), ABS Module, Four-Wheel Drive, Gravity Sensor |
| ABS 1 | ABS 1 (ABS Logic) |
| ABS 2 | ABS 2 (ABS Pump) |
| AUX PWR 1 | Accessory Power 1 |
| AUX PWR 2 | Accessory Power 2 |
| BCK/UP | Back-up Lights |
| BLWR | Climate Control Fan |
| CLSTR | Cluster |
| CNSTR VENT | Fuel Canister Vent Solenoid |
| CRUISE | Cruise Control Switch, Inside Rearview Minor, Transfer Case Control Module, Brake Switch, Clutch Disable |
| DR/LCK | Power Door Locks (If Equipped) |
| DRL | Daylight Running Lamps |
| ERLS | Mass Air Flow (MAF) Sensor, Can Purge Solenoid, Air Injector Reactor (AIR) Relay |
| ETC | Electronic Throttle Control (ETC) |
| FOG/LAMP | Fog Lamps (If Equipped) |
| FRT PRK LAMP | Front Park/Turn Lamps, Driver and Passenger Side Power Window Switches Lighting |
| FRT/AXLE | Front Axle Actuator |
| FSCM | Fuel System Control Module |
| BACKUP LAMP | Back Up Lamp |
| HORN | Horn |
| HTD/SEAT | Heated Seat (If Equipped) |
| IGN | Ignition, Clutch Starter Switch, Neutral Safety Back-Up Switch, Ignition Coils 1-5, Air Conditioning Relay |
| INJ | Injectors |
| LT HDLP | Driver Side Headlamp |
| PCM B | Power Control Module (PCM) B |
| PCMI | Power Control Module (PCM) |
| PWR/SEAT | Power Seat Circuit Breaker (If Equipped) |
| PWR/WNDW | Power Windows (If Equipped) |
| RDO | Radio |
| REAR PRK LAMP | Rear Parking Lamp 1, Passenger Side Taillamp, License Plate Lamps |
| REAR PRK LAMP2 | Driver Side Rear Taillamp, Passenger Side Airbag Indicator Lighting, Instrument Panel Dimming Power (2WD/4WD switch lighting) |
| RT HDLP | Passenger Side Headlamp |
| RVC | Regulated Voltage Control |
| S/ROOF | Sunroof (If Equipped) |
| STOP | Stop Lamps |
| STRTR | Starter Solenoid Relay |
| TBC | Truck Body Controller |
| TCM | Transmission Control Module |
| TCCM | Transfer Case Control Module |
| TRAILER BRAKE | Trailer Brake |
| TRANS | Transmission Solenoid |
| TRN/HAZRD FRT | Turn/Hazard/Courtesy/Cargo Lamps/Mirrors |
| TRN/HAZRD REAR | Rear Turn/Hazard Lights |
| VSES | Vehicle Stability Enhancement System |
| WPR | Wiper |
| WSW | Wiper/Washer Switch |
| Relays | |
| A/C CMPRSR | Air Conditioning Compressor |
| BEAM SEL | Beam Selection |
| DRL | Daylight Running Lamps |
| FOG/LAMP | Fog Lamps (If Equipped) |
| BKUPLP | Back Up Lamp |
| HDLP | Headlamps |
| HORN | Horn |
| IGN 3 HVAC | Ignition 3, Climate Control, Climate Control Head Fuse, Power Seat Fuse |
| PRK/LAMP | Front Parking Lamp Fuse, Rear Parking Lamps |
| PWR/TRN | Powertrain, Electronic Throttle Control Fuse, Oxygen Sensor Fuse |
| RAP | Retained Accessory Power (Power Window Fuse, Wiper/Washer Switch Fuse), Sunroof Fuse |
| RUN/CRNK | Run/Crank, Airbag System Fuse, Cruise Control Fuse, Ignition Fuse, Back-Up Lamps, ABS Fuse, Front Axle, PCM-1, Injectors Fuse, Transmission Fuse, ERLS |
| STRTR | Starter Relay (PCM Relay) |
| VSES | Vehicle Stability Enhancement System |
| WPR | Wipers (On/Off) |
| WPR 2 | Wiper 2 (High/Low) |
| Miscellaneous | |
| A/C CLTCH | Diode — Air Conditioning, Clutch |
| MEGA FUSE | Mega Fuse |
| WPR | Diode — Wiper |
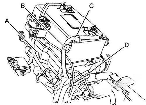
2.9L and 3.7L

5.3L

| # | Usage |
|---|---|
| A | Trailer Park Lamp |
| B | Communication Interface Module |
| C | Supplemental Inflatable Restraint System, Sensing and Diagnostic Module |
| D | Trailer Auxiliary Maxi-Fuse |
Trailer brake
The trailer brake relay is located on the bottom side of the battery harness.

2011, 2012

Assignment of the fuses in the engine compartment (2011, 2012)
| Name | Usage |
|---|---|
| O2 SNSR | Oxygen Sensors, Air Injection Reactor (AIR) Relay |
| A/C | Air Conditioning Control Head, Power Seats |
| A/C CMPRSR | Air Conditioning Compressor |
| ABS | Antilock Brake System (ABS), ABS Module, Four-Wheel Drive, Gravity Sensor |
| ABS 1 | ABS 1 (ABS Logic) |
| ABS 2 | ABS 2 (ABS Pump) |
| AUX PWR 1 | Accessory Power 1 |
| AUX PWR 2 | Accessory Power 2 |
| BCK/UP | Back-up Lights |
| BLWR | Climate Control Fan |
| CLSTR | Cluster |
| CNSTR VENT | Fuel Canister Vent Solenoid |
| CRUISE | Cruise Control Switch, Inside Rearview Mirror, Transfer Case Control Module, Brake Switch, Clutch Disable |
| DR/LCK | Power Door Locks (If Equipped) |
| DRL | Daylight Running Lamps |
| ERLS | Mass Air Flow (MAF) Sensor, Can Purge Solenoid, Air Injector Reactor (AIR) Relay |
| ETC | Electronic Throttle Control (ETC) |
| FOG/LAMP | Fog Lamps (If Equipped) |
| FRT PRK LAMP | Front Park/Turn Lamps, Driver and Passenger Side Power Window Switches Lighting |
| FRT/AXLE | Front Axle Actuator |
| FSCM | Fuel System Control Module |
| BACKUP LAMP | Back Up Lamp |
| HORN | Horn |
| HTD/SEAT | Heated Seat (If Equipped) |
| IGN | Ignition, Clutch Starter Switch, Neutral Safety Back-Up Switch, Ignition Coils 1-5, Air Conditioning Relay |
| INJ | Injectors |
| LT HDLP | Driver Side Headlamp |
| PCM B | Power Control Module (PCM) B |
| PCMI | Power Control Module (PCM) |
| PWR/SEAT | Power Seat Circuit Breaker (If Equipped) |
| PWR/WNDW | Power Windows (If Equipped) |
| RDO | Radio |
| REAR PRK LAMP | Rear Parking Lamp 1, Passenger Side Taillamp, License Plate Lamps |
| REAR PRK LAMP2 | Driver Side Rear Taillamp, Passenger Side Airt>ag Indicator Lighting, Instrument Panel Dimming Power (2WD/4WD switch lighting) |
| RT HDLP | Passenger Side Headlamp |
| RVC | Regulated Voltage Control |
| S/ROOF | Sunroof (If Equipped) |
| STOP | Stop Lamps |
| STRTR | Starter Solenoid Relay |
| TBC | Truck Body Controller |
| TCM | Transmission Control Module |
| TCCM | Transfer Case Control Module |
| TRAILER BRAKE | Trailer Brake |
| TRANS | Transmission Solenoid |
| TRN/HAZRD FRT | Turn/Hazard/Courtesy/Cargo Lamps/Mirrors |
| TRN/HAZRD REAR | Rear Turn/Hazard Lights |
| VSES/STOP | Vehicle Stability Enhancement System/Stop |
| WPR | Wiper |
| WSW | Wiper/Washer Switch |
| Relays | |
| A/C CMPRSR | Air Conditioning Compressor |
| Backup Lamp | Backup Lamp |
| BEAM SEL | Beam Selection |
| DRL | Daylight Running Lamps |
| FOG/LAMP | Fog Lamps (If Equipped) |
| HDLP | Headlamps |
| HORN | Horn |
| IGN 3 HVAC | Ignition 3, Climate Control, Climate Control Head Fuse, Power Seat Fuse |
| PRK/LAMP | Front Parking Lamp Fuse, Rear Parking Lamps |
| PWR/TRN | Powertrain, Electronic Throttle Control Fuse, Oxygen Sensor Fuse |
| RAP | Retained Accessory Power (Power Window Fuse, Wiper/Washer Switch Fuse), Sunroof Fuse |
| RUN/CRNK | Run/Crank, Airbag System Fuse, Cruise Control Fuse, Ignition Fuse, Back-Up Lamps, ABS Fuse, Front Axle, PCM-1, Injectors Fuse, Transmission Fuse, ERLS |
| STRTR | Starter Relay (PCM Relay) |
| VSES | Vehicle Stability Enhancement System |
| WPR | Wipers (On/Off) |
| WPR 2 | Wiper 2 (High/Low) |
| Miscellaneous | |
| A/C CLTCH | Diode — Air Conditioning, Clutch |
| MEGA FUSE | Mega Fuse |
| WPR | Diode — Wiper |
2.9L and 3.7L

5.3L

| # | Usage |
|---|---|
| A | Trailer Park Lamp |
| B | Communication Interface Module |
| C | Supplemental Inflatable Restraint System, Sensing and Diagnostic Module |
| D | Trailer Auxiliary Maxi-Fuse |
Trailer brake
The trailer brake relay is located on the bottom side of the battery harness.



