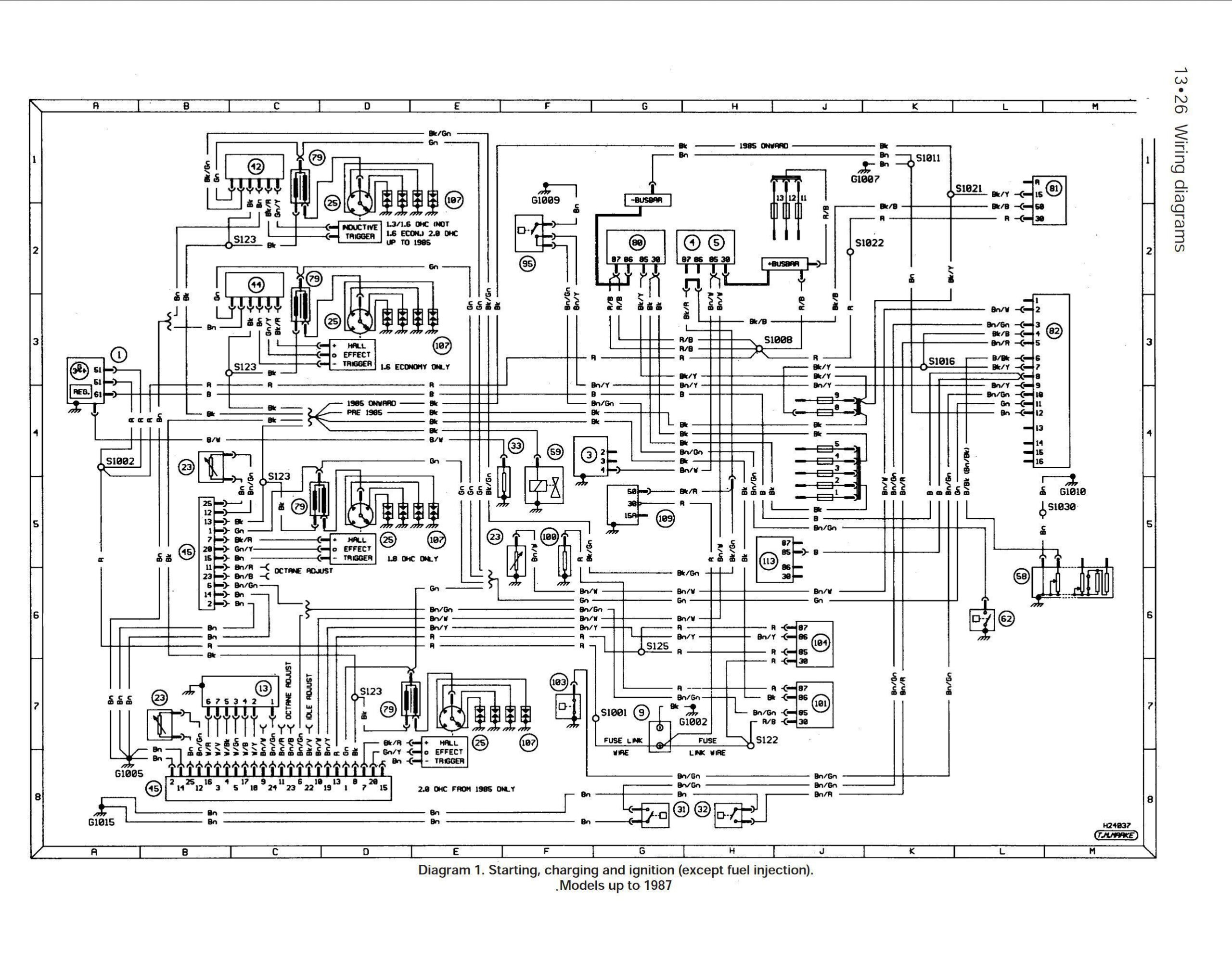
The Ford Sierra Wiring Diagram is a detailed and comprehensive guide specifically designed to provide important information and instructions to technicians and enthusiasts working on Ford Sierra vehicles. This wiring diagram covers the electrical system of the Sierra, ensuring accuracy and reliability during repairs and modifications.
The electrical system of the Ford Sierra is a crucial component that controls various functions and systems within the vehicle. The wiring diagram provides detailed explanations of the electrical circuits, connections, and components, including the ignition system, lighting system, power windows, and more. This ensures that technicians and enthusiasts have a thorough understanding of the electrical system, enabling them to diagnose and repair issues effectively.
Additionally, the wiring diagram includes important guidelines and specifications for various electrical components and systems. It provides information on wire colors, connector pinouts, fuse locations, and other crucial details. These guidelines ensure that technicians and enthusiasts can accurately trace and identify electrical connections, resulting in accurate repairs or modifications.
The wiring diagram also provides clear and organized illustrations of the electrical circuits and connections. This visual representation helps technicians and enthusiasts understand the routing of wires, the location of connectors, and the overall layout of the electrical system. It simplifies the process of troubleshooting and modifying the electrical system of the Sierra.
Furthermore, the wiring diagram includes circuit descriptions and troubleshooting tips for common electrical issues that may arise with the Sierra. It provides guidance on how to identify and resolve problems related to wiring, fuses, relays, and electrical components. This ensures that technicians and enthusiasts can effectively diagnose and address electrical issues, maintaining the optimal performance and reliability of the Sierra.
It is important to note that the Ford Sierra Wiring Diagram is designed for experienced technicians and enthusiasts who have a good understanding of automotive electrical systems and wiring diagrams. Following the guidelines and instructions outlined in the wiring diagram is essential for proper repairs, modifications, and troubleshooting of the electrical system.
To summarize, the Ford Sierra Wiring Diagram is an essential resource for technicians and enthusiasts working on Ford Sierra vehicles. It provides detailed information, explanations, and illustrations of the electrical system, ensuring accurate repairs, modifications, and troubleshooting.
Language: English
Format: PDF
Pages: 47
