In this article we take a look at the third-generation Chevrolet Tahoe (GMT900), produced from 2007 to 2014. Here you can find the Chevrolet Tahoe 2007, 2008, 2009, 2010, 2011, 2012, 2013, 2014 fuse box outline, get information about the location of the fuse boxes inside the car and learn about the allocation of each fuse (fuse layout) and relay.
The fuses for the cigar lighter (power outlet) in the Chevrolet Tahoe are fuse #2 (rear accessory socket), fuse #16 (accessory sockets) in the instrument panel fuse box and fuse #53 (cigarette lighter, auxiliary power outlet) in the engine compartment fuse box.
Instrument Panel Fuse Box
Fuse box location
It is located on the driver’s side of the instrument panel, behind the cover.

Fuse box diagram

Assignment of the fuses in the Instrument Panel
| № | Usage |
|---|---|
| 1 | Rear Seats |
| 2 | Rear Accessory Power Outlet |
| 3 | Steering Wheel Controls Backlight |
| 4 | Driver Door Module |
| 5 | Dome Lamps, Driver’s Side Turn Signal |
| 6 | Driver’s Side Turn Signal, Stoplamp |
| 7 | Instrument Panel Back Lighting |
| 8 | Passenger’s Side Turn Signal, Stoplamp |
| 9 | 2007: Body Control Module 2008: Passenger Door Module, Universal Home Remote System 2009-2010: Passenger Door Module, Driver Unlock 2011-2014: Passenger Door Lock2 (Unlock Feature) |
| 10 | Power Door Lock 2 (Unlock Feature) |
| 11 | Power Door Lock 2 (Lock Feature) |
| 12 | Stoplamps, Center-High Mounted Stoplamp |
| 13 | Rear Climate Controls |
| 14 | 2008-2014: Power Mirror |
| 15 | 2007: Passenger Door Module, Universal Home Remote System 2008-2014: Body Control Module (BCM) |
| 16 | Accessory Power Outlets |
| 17 | Interior Lamps |
| 18 | Power Door Lock 1 (Unlock Feature) |
| 19 | 2008-2014: Rear Seat Entertainment |
| 20 | Ultrasonic Rear Parking Assist, Power Liftgate |
| 21 | Power Door Lock 1 (Lock Feature) |
| 22 | 2008-2014: Driver Information Center (DIC) |
| 23 | Rear Wiper |
| 24 | 2007: Not used 2008-2014: Cooled Seats |
| 25 | Driver Seat Module, Remote Keyless Entry System |
| 26 | Driver Power Done Lock (Unlock Feature) |
| Circuit Breaker | |
| LT DR | Driver Side Power Window Circuit Breaker |
| Harness Connector | |
| LT DR | Driver’s Door Harness Connection |
| BODY | Harness Connector |
| BODY | Harness Connector |
Center instrument panel fuse box
It is located underneath the instrument panel, to the left of the steering column.

| Harness Connector | Usage |
|---|---|
| BODY 2 | Body Harness Connector 2 |
| BODY 1 | Body Harness Connector 1 |
| BODY 3 | Body Harness Connector 3 |
| HEADLINER 3 | Headliner Harness Connector 3 |
| HEADLINER 2 | Headliner Harness Connector 2 |
| HEADLINER 1 | Headliner Harness Connector 1 |
| BRAKE CLUTCH | Brake Clutch Harness Connector |
| SEO/UPFITTER | Special Equipment Option Upfitter Harness Connector |
| Circuit Breaker | |
| CB1 | Passenger’s Side Power Window Circuit Breaker |
| CB2 | Passenger’s Seat Circuit Breaker |
| CB3 | Driver’s Seat Circuit Breaker |
| CB4 | Rear Sliding Window |
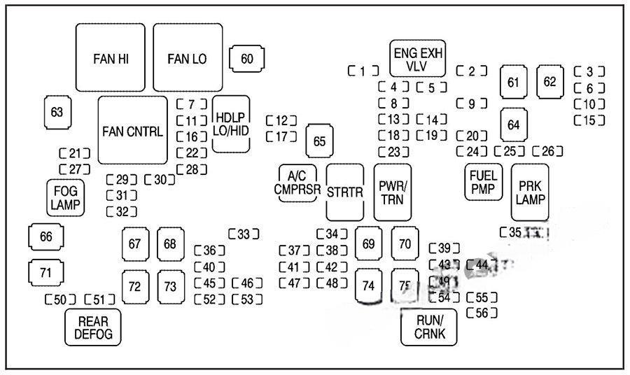
Engine Compartment Fuse Box
Fuse box location

Fuse box diagram (2007)

Assignment of the fuses and relay in the Engine Compartment (2007)
| №/Name | Usage |
|---|---|
| 1 | Not Used |
| 2 | Electronic Stability Suspension Control, Automatic Level Control Exhaust |
| 3 | Left Trailer Stop/Turn Lamp |
| 4 | Engine Controls |
| 5 | Engine Control Module, Throttle Control |
| 6 | Right Trailer Stop/Turn Lamp |
| 7 | Front Washer |
| 8 | Oxygen Sensors |
| 9 | Anti-lock Brakes System 2 |
| 10 | Trailer Back-up Lamps |
| 11 | Driver’s Side Low-Beam Headlamp |
| 12 | Engine Control Module (Battery) |
| 13 | Fuel Injectors, Ignition Coils (Right Side) |
| 14 | Transmission Control Module (Battery) |
| 15 | Vehicle Back-up Lamps |
| 16 | Passenger’s Side Low-Beam Headlamp |
| 17 | Air Conditioning Compressor |
| 18 | Oxygen Sensors |
| 19 | Transmission Controls (Ignition) |
| 20 | Fuel Pump |
| 21 | Not Used |
| 22 | Rear Washer |
| 23 | Fuel Injectors, Ignition Coils (Left Side) |
| 24 | Trailer Park Lamps |
| 25 | Driver’s Side Park Lamps |
| 26 | Passenger’s Side Park Lamps |
| 27 | Fog Lamps |
| 28 | Horn |
| 29 | Passenger’s Side High-Beam Headlamp |
| 30 | Daytime Running Lamps |
| 31 | Driver’s Side High-Beam Headlamp |
| 32 | Not Used |
| 33 | Sunroof, Emergency Roof Lamp |
| 34 | Key Ignition System, Theft Deterrent System |
| 35 | Windshield Wiper |
| 36 | SEO B2 Upfitter Usage (Battery) |
| 37 | Electric Adjustable Pedals |
| 38 | Climate Controls (Battery) |
| 39 | Airbag System (Ignition) |
| 40 | Amplifier |
| 41 | Audio System |
| 42 | Four-Wheel Drive |
| 43 | Miscellaneous (Ignition), Rear Vision Camera, Cruise Control |
| 44 | Liftgate Release |
| 45 | OnStar®, Rear Seat Entertainment Display |
| 46 | Instrument Panel Cluster |
| 47 | Not Used |
| 48 | Not Used |
| 49 | Auxiliary Climate Control (Ignition), Compass-Temperature Mirror |
| 50 | Rear Defogger |
| 51 | Airbag System (Battery) |
| 52 | SEO B1 Upfitter Usage (Battery) |
| 53 | Cigarette Lighter, Auxiliary Power Outlet |
| 54 | Automatic Level Control Compressor Relay, SEO Upfitter Usage |
| 55 | Climate Controls (Ignition) |
| 56 | Engine Control Module, Secondary Fuel Pump (Ignition) |
| J-Case Fuse | |
| 60 | Cooling Fan 1 |
| 61 | Automatic Level Control Compressor |
| 62 | Heavy Duty Anti-lock Brake System |
| 63 | Cooling Fan 2 |
| 64 | Anti-lock Brake System 1 |
| 65 | Starter |
| 66 | Stud 2 (Trailer Brakes) |
| 67 | Left Bussed Electrical Center 1 |
| 68 | Electric Running Boards |
| 69 | Heated Windshield Washer System |
| 70 | Four-Wheel Drive System |
| 71 | Stud 1 (Trailer Connector Battery Power |
| 72 | Mid-Bussed Electrical Center 1 |
| 73 | Climate Control Blower |
| 74 | Power Liftgate Module |
| 75 | Left Bussed Electrical Center 2 |
| Relays | |
| FAN HI | Cooling Fan High Speed |
| FAN LO | Cooling Fan Low Speed |
| ENG EXH VLV | Not Used |
| FAN CNTRL | Cooling Fan Control |
| HDLP LO/HID | Low-Beam Headlamp |
| FOG LAMP | Air Conditioning Compressor |
| STRTR | Starter |
| PWR/TRN | Powertrain |
| FUEL PMP | Fuel Pump |
| PRK LAMP | Parking Lamps |
| REAR DEFOG | Rear Defogger |
| RUN/CRANK | Switched Power |
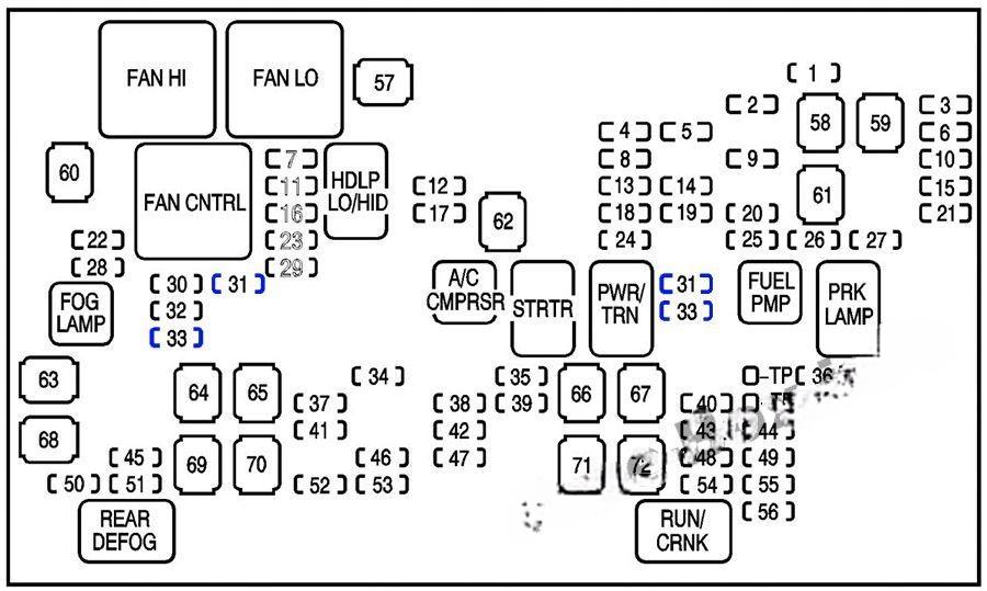
Fuse box diagram (2008-2014)

Assignment of the fuses and relay in the Engine Compartment (2008-2014)
| №/Name | Usage |
|---|---|
| 1 | Right Trailer Stop/Turn Lamp |
| 2 | Electronic Stability Suspension Control, Automatic Level Control Exhaust |
| 3 | Left Trailer Stop/Turn Lamp |
| 4 | Engine Controls |
| 5 | Engine Control Module, Throttle Control |
| 6 | Trailer Brake Controller / Right Trailer Stop/Turn Lamp |
| 7 | Front Washer |
| 8 | Oxygen Sensors |
| 9 | Anti-lock Brakes System 2 |
| 10 | Trailer Back-up Lamps |
| 11 | Driver’s Side Low-Beam Headlamp |
| 12 | Engine Control Module (Battery) |
| 13 | Fuel Injectors, Ignition Coils (Right Side) |
| 14 | Transmission Control Module (Battery) |
| 15 | Vehicle Back-up Lamps |
| 16 | Passenger’s Side Low-Beam Headlamp |
| 17 | Air Conditioning Compressor |
| 18 | Oxygen Sensors |
| 19 | Transmission Controls (Ignition) |
| 20 | Fuel Pump |
| 21 | Fuel System Control Module |
| 22 | Headlamp Washer |
| 23 | Rear Windshield Washer |
| 24 | Fuel Injectors, Ignition Coils (Left Side) |
| 25 | Trailer Park Lamps |
| 26 | Driver’s Side Park Lamps |
| 27 | Passenger’s Side Park Lamps |
| 28 | Fog Lamps |
| 29 | Horn |
| 30 | Passenger’s Side High-Beam Headlamp |
| 31 | Daytime Running Lamps (DRL) ) (If Equipped) |
| 32 | Driver’s Side High-Beam Headlamp |
| 33 | Daytime Running Lamps 2 (If Equipped) |
| 34 | Sunroof |
| 35 | Key Ignition System, Theft Deterrent System |
| 36 | Windshield Wiper |
| 37 | SEO B2 Upfitter Usage (Battery) |
| 38 | Electric Adjustable Pedals |
| 39 | Climate Controls (Battery) |
| 40 | Airbag System (Ignition) |
| 41 | Amplifier |
| 42 | Audio System |
| 43 | Miscellaneous (Ignition), Cruise Control |
| 44 | Liftgate Release |
| 45 | Airbag System (Battery) |
| 46 | Instrument Panel Cluster |
| 47 | 2008: Power Take-Off 2009-2014: Not Used |
| 48 | 2008: Auxiliary Climate Control (Ignition), Compass-Temperature Mirror 2009-2014: Auxiliary Climate Control (Ignition) |
| 49 | Center High-Mounted Stoplamp (CHMSL) |
| 50 | Rear Defogger |
| 51 | Heated Mirrors |
| 52 | SEO B1 Upfitter Usage (Battery) |
| 53 | Cigarette Lighter, Auxiliary Power Outlet |
| 54 | 2008: Automatic Level Control Compressor Relay, SEO Upfitter Usage 2009-2014: Automatic Level Control Compressor Relay |
| 55 | Climate Controls (Ignition) |
| 56 | Engine Control Module, Secondary Fuel Pump (Ignition) |
| J-Case Fuse | |
| 57 | 2009-2014: Cooling Fan 1 |
| 58 | 2009-2014: Automatic Level Control Compressor |
| 59 | 2009-2014: Heavy Duty Antilock Breaking System |
| 60 | 2008: Cooling Fan 1 2009-2014: Cooling Fan 2 |
| 61 | Antilock Brake System 1 |
| 62 | Starter |
| 63 | Stud 2 (Trailer Brakes) |
| 64 | Left Bussed Electrical Center 1 |
| 65 | Electric Running Boards |
| 66 | Heated Windshield Washer System |
| 67 | 2008: Four-Wheel Drive System 2009-2014: Transfer Casse |
| 68 | Stud 1 (Trailer Connector Battery Power) |
| 69 | Mid-Bussed Electrical Center 1 |
| 70 | Climate Control Blower |
| 71 | Power Liftgate Module |
| 72 | Left Bussed Electrical Center 2 |
| Relays | |
| FAN HI | Cooling Fan High Speed |
| FAN LO | Cooling Fan Low Speed |
| ENG EXH VLV | Not Used |
| FAN CNTRL | Cooling Fan Control |
| HDLP LO/HID | Low-Beam Headlamp |
| FOG LAMP | Air Conditioning Compressor |
| STRTR | Starter |
| PWR/TRN | Powertrain |
| FUEL PMP | Fuel Pump |
| PRK LAMP | Parking Lamps |
| REAR DEFOG | Rear Defogger |
| RUN/CRANK | Switched Power |
Auxiliary Engine Compartment Fuse Block (Hybrid)
The block is located in the engine compartment near the front of the vehicle.

Auxiliary Engine Compartment Fuse Block (Hybrid)
| №/Name | Usage |
|---|---|
| 1 | ACPO |
| 2 | BECM FAN |
| 3 | ACCM |
| 4 | CAB HTR PMP |
| 5 | EMPTY |
| 6 | COOL PUMP |
| 7 | EPS |
| 8 | Drive Motor/Generator Control Module 1 |
| 9 | Drive Motor/Generator Control Module 2 |
| 10 | BECM |
| J-Case fuses | |
| FAN 1 | Cooling Fan 1 |
| TRANS PUMP | Auxiliary Transmission Fluid Pump |
| FAN 2 | Cooling Fan 2 |
| CAB HTR PMP | Cab Heater Pump |
| Relays | |
| FAN LOW | Cooling Fan Low Speed Relay |
| FAN MID 1 | Cooling Fan Mid 1 |
| FAN HI | Cooling Fan High Speed Relay |
| FAN MID 2 | Cooling Fan Mid 2 |
| FAN CNTRL | Cooling Fan Control |


