In this article we take a look at the tenth generation Chevrolet Suburban (GMT900), produced from 2007 to 2014. Here you can find the Chevrolet Suburban 2007, 2008, 2009, 2010, 2011, 2012, 2013 and 2014 fuse box images, get information about the location of the fuse boxes inside the car and learn about the allocation of each fuse (fuse layout) and relay.
The fuses for the cigarette lighter (power outlet) in the Chevrolet Suburban are fuses №2 “AUX PWR2” (rear cargo area power outlets), №16 “AUX PWR” (accessory power outlets) in the instrument panel fuse box and fuse №53 (cigarette lighter, auxiliary power outlet) in the engine compartment fuse box.
Instrument Panel Fuse Box
Fuse box location
It is located on the side of the instrument panel, on the driver’s side, behind the cover.

Fuse box diagram (2007)

Assignment of the fuses in the Instrument Panel (2007)
| Name | Usage |
|---|---|
| AUX PWR2 | Rear Cargo Area Power Outlets |
| SWC BKLT | Steering Wheel Controls Backlight |
| DDM | Driver Door Module |
| CTSY | Dome Lamps, Driver’s Side Turn Signal |
| LT STOP TRN | Driver’s Side Turn Signal, Stoplamp |
| DIM | Instrument Panel Back Lighting |
| RT STOP TRN | Passenger’s Side Turn Signal, Stoplamp |
| BCM | Body Control Module |
| UNLCK2 | Power Door Lock 2 (Unlock Feature) |
| LCK2 | Power Door Lock 2 (Lock Feature) |
| STOP LAMPS | Stoplamps, Center-High Mounted Stoplamp |
| REAR HVAC | Rear Climate Controls |
| PDM | Passenger Door Module, Universal Home Remote System |
| AUX PWR | Accessory Power Outlets |
| IS LPS | Interior Lamps |
| UNLCK1 | Power Door Lock 1 (Unlock Feature) |
| OBS DET | Ultrasonic Rear Parking Assist, Power Liftgate |
| LCK1 | Power Door Lock 1 (Lock Feature) |
| REAR WPR | Rear Wiper |
| COOLED SEATS | Not Used |
| DSM | Driver Seat Module, Remote Keyless Entry System |
| Harness Connector | |
| LT DR | Driver’s Door Harness Connection |
| BODY | Harness Connector |
| BODY | Harness Connector |
Fuse box diagram (2008-2014)

Assignment of the fuses in the Instrument Panel (2008-2014)
| № | Usage |
|---|---|
| 1 | Rear Seats |
| 2 | Rear Accessory Power Outlet |
| 3 | Steering Wheel Controls Backlight |
| 4 | Driver Door Module |
| 5 | Dome Lamps, Driver’s Side Turn Signal |
| 6 | Driver’s Side Turn Signal, Stoplamp |
| 7 | Instrument Panel Back Lighting |
| 8 | Passenger’s Side Turn Signal, Stoplamp |
| 9 | 2008: Passenger Door Module, Universal Home Remote System 2009-2010: Passenger Door Module, Driver Unlock 2011-2014: Passenger Door Lock2 (Unlock Feature) |
| 10 | Power Door Lock 2 (Unlock Feature) |
| 11 | Power Door Lock 2 (Lock Feature) |
| 12 | Stoplamps, Center-High Mounted Stoplamp |
| 13 | Rear Climate Controls |
| 14 | Power Mirror |
| 15 | Body Control Module (BCM) |
| 16 | Accessory Power Outlets |
| 17 | Interior Lamps |
| 18 | Power Door Lock 1 (Unlock Feature) |
| 19 | Rear Seat Entertainment |
| 20 | Ultrasonic Rear Parking Assist, Power Liftgate |
| 21 | Power Door Lock 1 (Lock Feature) |
| 22 | Driver Information Center (DIC) |
| 23 | Rear Wiper |
| 24 | Cooled Seats |
| 25 | Driver Seat Module, Remote Keyless Entry System |
| 26 | Driver Power Done Lock (Unlock Feature) |
| Circuit Breaker | |
| LT DR | Driver Side Power Window Circuit Breaker (2009-2014) |
| Harness Connector | |
| LT DR | Driver’s Door Harness Connection |
| BODY | Harness Connector |
| BODY | Harness Connector |
Center instrument panel fuse box
The center instrument panel fuse block is located underneath the instrument panel, to the left of the steering column.

| Harness Connector | Usage |
|---|---|
| BODY 2 | Body Harness Connector 2 |
| BODY 1 | Body Harness Connector 1 |
| BODY 3 | Body Harness Connector 3 |
| HEADLINER 3 | Headliner Harness Connector 3 |
| HEADLINER 2 | Headliner Harness Connector 2 |
| HEADLINER 1 | Headliner Harness Connector 1 |
| BRAKE CLUTCH | Brake Clutch Harness Connector |
| SEO/UPFITTER | Special Equipment Option Upfitter Harness Connector |
| Circuit Breaker | |
| CB1 | Passenger’s Side Power Window Circuit Breaker |
| CB2 | Passenger’s Seat Circuit Breaker |
| CB3 | Driver’s Seat Circuit Breaker |
| CB4 | 2007: Not used 2008-2014: Rear Sliding Window |
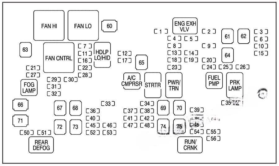
Engine Compartment Fuse Box
Fuse box location

Fuse box diagram (2007)

Assignment of the fuses and relay in the Engine Compartment (2007)
| №/Name | Usage |
|---|---|
| 1 | Not Used |
| 2 | Electronic Stability Suspension Control, Automatic Level Control Exhaust |
| 3 | Left Trailer Stop/Turn Lamp |
| 4 | Engine Controls |
| 5 | Engine Control Module, Throttle Control |
| 6 | Right Trailer Stop/Turn Lamp |
| 7 | Front Washer |
| 8 | Oxygen Sensors |
| 9 | Anti-lock Brakes System 2 |
| 10 | Trailer Back-up Lamps |
| 11 | Driver’s Side Low-Beam Headlamp |
| 12 | Engine Control Module (Battery) |
| 13 | Fuel Injectors, Ignition Coils (Right Side) |
| 14 | Transmission Control Module (Battery) |
| 15 | Vehicle Back-up Lamps |
| 16 | Passenger’s Side Low-Beam Headlamp |
| 17 | Air Conditioning Compressor |
| 18 | Oxygen Sensors |
| 19 | Transmission Controls (Ignition) |
| 20 | Fuel Pump |
| 21 | Not Used |
| 22 | Rear Washer |
| 23 | Fuel Injectors, Ignition Coils (Left Side) |
| 24 | Trailer Park Lamps |
| 25 | Driver’s Side Park Lamps |
| 26 | Passenger’s Side Park Lamps |
| 27 | Fog Lamps |
| 28 | Horn |
| 29 | Passenger’s Side High-Beam Headlamp |
| 30 | Daytime Running Lamps |
| 31 | Driver’s Side High-Beam Headlamp |
| 32 | Not Used |
| 33 | Sunroof, Emergency Roof Lamp |
| 34 | Key Ignition System, Theft Deterrent System |
| 35 | Windshield Wiper |
| 36 | SEO B2 Upfitter Usage (Battery) |
| 37 | Electric Adjustable Pedals |
| 38 | Climate Controls (Battery) |
| 39 | Airbag System (Ignition) |
| 40 | Amplifier |
| 41 | Audio System |
| 42 | Four-Wheel Drive |
| 43 | Miscellaneous (Ignition), Rear Vision Camera, Cruise Control |
| 44 | Liftgate Release |
| 45 | OnStar, Rear Seat Entertainment Display |
| 46 | Instrument Panel Cluster |
| 47 | Not Used |
| 48 | Not Used |
| 49 | Auxiliary Climate Control (Ignition), Compass-Temperature Mirror |
| 50 | Rear Defogger |
| 51 | Airbag System (Battery) |
| 52 | SEO B1 Upfitter Usage (Battery) |
| 53 | Cigarette Lighter, Auxiliary Power Outlet |
| 54 | Automatic Level Control Compressor Relay, SEO Upfitter Usage |
| 55 | Climate Controls (Ignition) |
| 56 | Engine Control Module, Secondary Fuel Pump (Ignition) |
| J-Case Fuse | |
| 60 | Cooling Fan 1 |
| 61 | Automatic Level Control Compressor |
| 62 | Heavy Duty Anti-lock Brake System |
| 63 | Cooling Fan 2 |
| 64 | Anti-lock Brake System 1 |
| 65 | Starter |
| 66 | Stud 2 (Trailer Brakes) |
| 67 | Left Bussed Electrical Center 1 |
| 68 | Electric Running Boards |
| 69 | Heated Windshield Washer System |
| 70 | Four-Wheel Drive System |
| 71 | Stud 1 (Trailer Connector Battery Power |
| 72 | Mid-Bussed Electrical Center 1 |
| 73 | Climate Control Blower |
| 74 | Power Liftgate Module |
| 75 | Left Bussed Electrical Center 2 |
| Relays | |
| FAN HI | Cooling Fan High Speed |
| FAN LO | Cooling Fan Low Speed |
| ENG EXH VLV | Not Used |
| FAN CNTRL | Cooling Fan Control |
| HDLP LO/HID | Low-Beam Headlamp |
| FOG LAMP | Air Conditioning Compressor |
| STRTR | Starter |
| PWR/TRN | Powertrain |
| FUEL PMP | Fuel Pump |
| PRK LAMP | Parking Lamps |
| REAR DEFOG | Rear Defogger |
| RUN/CRANK | Switched Power |
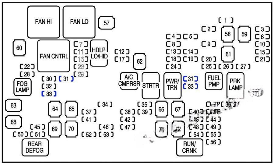
Fuse box diagram (2008-2014)

Assignment of the fuses and relay in the Engine Compartment (2008-2014)
| №/Name | Usage |
|---|---|
| 1 | Right Trailer Stop/Turn Lamp |
| 2 | Electronic Stability Suspension Control, Automatic Level Control Exhaust |
| 3 | Left Trailer Stop/Turn Lamp |
| 4 | Engine Controls |
| 5 | Engine Control Module, Throttle Control |
| 6 | Trailer Brake Controller |
| 7 | Front Washer |
| 8 | Oxygen Sensors |
| 9 | Anti-lock Brakes System 2 |
| 10 | Trailer Back-up Lamps |
| 11 | Driver’s Side Low-Beam Headlamp |
| 12 | Engine Control Module (Battery) |
| 13 | Fuel Injectors, Ignition Coils (Right Side) |
| 14 | Transmission Control Module (Battery) |
| 15 | Vehicle Back-up Lamps |
| 16 | Passenger’s Side Low-Beam Headlamp |
| 17 | Air Conditioning Compressor |
| 18 | Oxygen Sensors |
| 19 | Transmission Controls (Ignition) |
| 20 | Fuel Pump |
| 21 | Fuel System Control Module |
| 22 | Headlamp Washer |
| 23 | Rear Windshield Washer |
| 24 | Fuel Injectors, Ignition Coils (Left Side) |
| 25 | Trailer Park Lamps |
| 26 | Driver’s Side Park Lamps |
| 27 | Passenger’s Side Park Lamps |
| 28 | Fog Lamps |
| 29 | Horn |
| 30 | Passenger’s Side High-Beam Headlamp |
| 31 | Daytime Running Lamps (DRL) ) (If Equipped) |
| 32 | Driver’s Side High-Beam Headlamp |
| 33 | Daytime Running Lamps 2 (If Equipped) |
| 34 | Sunroof |
| 35 | Key Ignition System, Theft Deterrent System |
| 36 | Windshield Wiper |
| 37 | SEO B2 Upfitter Usage (Battery) |
| 38 | Electric Adjustable Pedals |
| 39 | Climate Controls (Battery) |
| 40 | Airbag System (Ignition) |
| 41 | Amplifier |
| 42 | Audio System |
| 43 | Miscellaneous (Ignition), Cruise Control |
| 44 | Liftgate Release |
| 45 | Airbag System (Battery) |
| 46 | Instrument Panel Cluster |
| 47 | 2008: Power Take-Off 2009-2014: Not Used |
| 48 | 2008: Auxiliary Climate Control (Ignition), Compass-Temperature Mirror 2009-2014: Auxiliary Climate Control (Ignition) |
| 49 | Center High-Mounted Stoplamp (CHMSL) |
| 50 | Rear Defogger |
| 51 | Heated Mirrors |
| 52 | SEO B1 Upfitter Usage (Battery) |
| 53 | Cigarette Lighter, Auxiliary Power Outlet |
| 54 | 2008: Automatic Level Control Compressor Relay, SEO Upfitter Usage 2009-2014: Automatic Level Control Compressor Relay |
| 55 | Climate Controls (Ignition) |
| 56 | Engine Control Module, Secondary Fuel Pump (Ignition) |
| J-Case Fuse | |
| 57 | 2009-2014: Cooling Fan 1 |
| 58 | 2009-2014: Automatic Level Control Compressor |
| 59 | 2009-2014: Heavy Duty Antilock Breaking System |
| 60 | 2008: Cooling Fan 1 2009-2014: Cooling Fan 2 |
| 61 | Antilock Brake System 1 |
| 62 | Starter |
| 63 | Stud 2 (Trailer Brakes) |
| 64 | Left Bussed Electrical Center 1 |
| 65 | Electric Running Boards |
| 66 | Heated Windshield Washer System |
| 67 | 2008: Four-Wheel Drive System 2009-2014: Transfer Casse |
| 68 | Stud 1 (Trailer Connector Battery Power) |
| 69 | Mid-Bussed Electrical Center 1 |
| 70 | Climate Control Blower |
| 71 | Power Liftgate Module |
| 72 | Left Bussed Electrical Center 2 |
| Relays | |
| FAN HI | Cooling Fan High Speed |
| FAN LO | Cooling Fan Low Speed |
| ENG EXH VLV | Not Used |
| FAN CNTRL | Cooling Fan Control |
| HDLP LO/HID | Low-Beam Headlamp |
| FOG LAMP | Air Conditioning Compressor |
| STRTR | Starter |
| PWR/TRN | Powertrain |
| FUEL PMP | Fuel Pump |
| PRK LAMP | Parking Lamps |
| REAR DEFOG | Rear Defogger |
| RUN/CRANK | Switched Power |


