In this article we take a look at the third-generation Cadillac Escalade (GMT 900), produced from 2007 to 2014. Here you can find the Cadillac Escalade 2007, 2008, 2009, 2010, 2011, 2012, 2013 and 2014 fuse box outline, get information about the location of the fuse boxes inside the car and learn about the allocation of each fuse (fuse layout) and relay.
Cadillac Escalade cigar lighter/power outlet fuses are located in the instrument panel fuse box (see fuses №16 “AUX PWR” (accessory power outlets) and №2 “AUX PWR2” (rear cargo area power outlets)) and in the engine compartment fuse box – fuse №53 (cigarette lighter, auxiliary power outlet).
Passenger compartment fuse box
Fuse Box Location
It is located on the driver’s side of the instrument panel, behind the cover.

Fuse box diagram (2007)

Assignment of the fuses in the instrument panel (2007)
| Name | Description |
|---|---|
| LT DR | Driver’s Side Power Window Circuit Breaker |
| REAR SEAT | Rear Seats |
| AUX PWR2 | Rear Cargo Area Power Outlets |
| SWC BKLT | Steering Wheel Controls Backlight |
| DDM | Driver Door Module |
| CTSY | Dome Lamps, Driver’s Side Turn Signal |
| LT STOP TRN | Driver’s Side Turn Signal, Stoplamp |
| DIM | Instrument Panel Back Lighting |
| RT STOP TRN | Passenger’s Side Turn Signal, Stoplamp |
| BCM | Body Control Module |
| UNLCK2 | Power Door Lock 2 (Unlock Feature) |
| LCK2 | Power Door Lock 2 (Lock Feature) |
| STOP LAMPS | Stoplamps, Center-High Mounted Stoplamp |
| REAR HVAC | Rear Climate Controls |
| PDM | Passenger Door Module, Universal Home Remote System |
| AUX PWR | Accessory Power Outlets |
| IS LPS | Interior Lamps |
| UNLCK1 | Power Door Lock 1 (Unlock Feature) |
| OBS DET | Ultrasonic Rear Parking Assist, Power Liftgate |
| LCK1 | Power Door Lock 1 (Lock Feature) |
| REAR WPR | Rear Wiper |
| COOLED SEATS | Cooled Seats |
| DSM | Driver Seat Module, Remote Keyless Entry System |
| Harness Connector | |
| LT DR | Driver’s Door Harness Connection |
| BODY | Harness Connector |
| BODY | Harness Connector |
Fuse box diagram (2008-2014)

Assignment of the fuses in the instrument panel (2008-2014)
| № | Description |
|---|---|
| 1 | Rear Seats |
| 2 | Rear Cargo Area Power Outlets |
| 3 | Steering Wheel Controls Backlight |
| 4 | Driver Door Module |
| 5 | Dome Lamps, Driver’s Side Turn Signal |
| 6 | Driver’s Side Turn Signal, Stoplamp |
| 7 | Instrument Panel Back Lighting |
| 8 | Passenger’s Side Turn Signal, Stoplamp |
| 9 | 2008-2010: Passenger Door Module 2011-2014: Passenger Door Module, Driver Unlock |
| 10 | Power Door Lock 2 (Unlock Feature) |
| 11 | Power Door Lock 2 (Lock Feature) |
| 12 | Stoplamps, Center-High Mounted Stoplamp |
| 13 | Rear Climate Controls |
| 14 | 2008-2010: Not used 2011-2014: Power Mirror |
| 15 | Body Control Module (BCM) |
| 16 | Accessory Power Outlets |
| 17 | Interior Lamps |
| 18 | Power Door Lock 1 (Unlock Feature) |
| 17 | Rear Seat Entertainment |
| 20 | Ultrasonic Rear Parking Assist, Power Liftgate |
| 21 | Power Door Lock 1 (Lock Feature) |
| 22 | Driver Information Center (DIC) |
| 23 | Rear Wiper |
| 24 | 2008-2010: Not used 2011-2014: Cooled Seats |
| 25 | Driver Seat Module, Remote Keyless Entry System |
| 26 | 2008-2010: Not used 2011-2014: Driver Power Door Lock (Unlock Feature) |
| LT DR | 2011-2014: Driver Side Power Window Circuit Breaker |
| Harness Connector | |
| LT DR | Driver’s Door Harness Connection |
| BODY | Harness Connector |
| BODY | Harness Connector |
Center Instrument Panel Fuse Block
This unit is located underneath the instrument panel, to the left of the steering column.

Center Instrument Panel Block
| Name | Description |
|---|---|
| Harness Connectors: | |
| BODY 2 | Body Harness Connector 2 |
| BODY 1 | Body Harness Connector 1 |
| BODY 3 | Body Harness Connector 3 |
| HEADLINER 3 | Headliner Harness Connector 3 |
| HEADLINER 2 | Headliner Harness Connector 2 |
| HEADLINER 1 | Headliner Harness Connector 1 |
| BRAKE CLUTCH | Brake Clutch Harness Connector |
| SEO/UPFITTER | Special Equipment Option Upfitter Harness Connector |
| Circuit Breakers: | |
| CB1 | Passenger’s Side Power Window Circuit Breaker |
| CB2 | Passenger’s Seat Circuit Breaker |
| CB3 | Driver’s Seat Circuit Breaker |
| CB4 | Not Used |
Fuse Box in the engine compartment
Fuse Box Location

Fuse box diagram (2007)

Assignment of the fuses and relays in the engine compartment (2007)
| № | Description |
|---|---|
| Fuses | |
| 1 | Not Used |
| 2 | Electronic Stability Suspension Control, Automatic Level Control Exhaust |
| 3 | Left Trailer Stop/Turn Lamp |
| 4 | Engine Controls |
| 5 | Engine Control Module, Throttle Control |
| 6 | Right Trailer Stop/Turn Lamp |
| 7 | Front Washer |
| 8 | Oxygen Sensors |
| 9 | Anti-lock Brakes System 2 |
| 10 | Trailer Back-up Lamps |
| 11 | Driver’s High Intensity Discharge Lamp |
| 12 | Engine Control Module (Battery) |
| 13 | Fuel Injectors, Ignition Coils (Right Side) |
| 14 | Transmission Control Module (Battery) |
| 15 | Vehicle Back-up Lamps |
| 16 | Passenger’s Side High Intensity Discharge Lamp |
| 17 | Air Conditioning Compressor |
| 18 | Oxygen Sensors |
| 19 | Transmission Controls (Ignition) |
| 20 | Fuel Pump |
| 21 | Not Used |
| 22 | Rear Washer |
| 23 | Fuel Injectors, Ignition Coils (Left Side) |
| 24 | Trailer Park Lamps |
| 25 | Driver’s Side Park Lamps |
| 26 | Passenger’s Side Park Lamps |
| 27 | Fog Lamps |
| 28 | Horn |
| 29 | Passenger’s Side High-Beam Headlamp Solenoid |
| 30 | Daytime Running Lamps |
| 31 | Driver’s Side High-Beam Headlamp Solenoid |
| 32 | Not Used |
| 33 | Sunroof |
| 34 | Key Ignition System, Theft Deterrent System |
| 35 | Windshield Wiper |
| 36 | SEO B2 Upfitter Usage (Battery) |
| 37 | Electric Adjustable Pedals |
| 38 | Climate Controls (Battery) |
| 39 | Airbag System (Ignition) |
| 40 | Amplifier |
| 41 | Audio System |
| 42 | Not Used |
| 43 | Miscellaneous (Ignition), Rear Vision Camera (If Equipped), Cooled Seats, Cruise Control |
| 44 | Liftgate Release |
| 45 | OnStar®, Rear Seat Entertainment Display |
| 46 | Instrument Panel Cluster |
| 47 | Not Used |
| 48 | Heated Steering Wheel |
| 49 | Auxiliary Climate Control (Ignition), Compass-Temperature Mirror |
| 50 | Rear Defogger |
| 51 | Airbag System (Battery) |
| 52 | SEO B1 Upfitter Usage (Battery) |
| 53 | Cigarette Lighter, Auxiliary Power Outlet |
| 54 | Automatic Level Control Compressor Relay, SEO Upfitter Usage |
| 55 | Climate Controls (Ignition) |
| 56 | Engine Control Module, Secondary Fuel Pump (Ignition) |
| J-Case Fuses | |
| 60 | Cooling Fan 1 |
| 61 | Automatic Level Control Compressor |
| 62 | Not Used |
| 63 | Cooling Fan 2 |
| 64 | Anti-lock Brake System 1 |
| 65 | Starter |
| 66 | Stud 2 (Trailer Brakes) |
| 67 | Left Bussed Electrical Center 1 |
| 68 | Electric Running Boards |
| 69 | Heated Windshield Washer System |
| 70 | Not Used |
| 71 | Stud 1 (Trailer Connector Battery Power) |
| 72 | Mid-Bussed Electrical Center 1 |
| 73 | Climate Control Blower |
| 74 | Power Liftgate Module |
| 75 | Left Bussed Electrical Center 2 |
| Relays | |
| FAN HI | Cooling Fan High Speed |
| FAN LO | Cooling Fan Low Speed |
| ENG EXH VLV | Not used |
| FAN CNTRL | Cooling Fan Control |
| HDLP LO/HID | Hi Intensity Discharge Headlamp |
| FOG LAMP | Front Fog Lamps |
| A/C CMPRSR | Air Conditioning Compressor |
| STRTR | Starter |
| PWR/TRN | Powertrain |
| FUEL PMP | Fuel Pump |
| PRK LAMP | Parking Lamps |
| REAR DEFOG | Rear Defogger |
| RUN/CRANK | Switched Power |
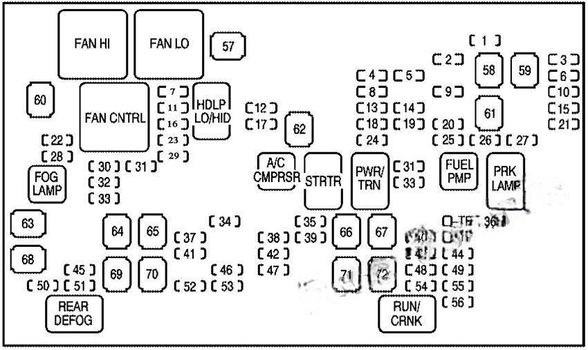
Fuse box diagram (2008-2014)

Assignment of the fuses and relays in the engine compartment (2008-2014)
| № | Description |
|---|---|
| Fuses | |
| 1 | Right Trailer Stop/Turn Lamp |
| 2 | Electronic Stability Suspension Control, Automatic Level Control Exhaust |
| 3 | Left Trailer Stop/Turn Lamp |
| 4 | Engine Controls |
| 5 | Engine Control Module, Throttle Control |
| 6 | Trailer Brake Controller |
| 7 | Front Washer |
| 8 | Oxygen Sensors |
| 9 | Anti-lock Brakes System 2 |
| 10 | Trailer Back-up Lamps |
| 11 | Driver Side Low-Beam Headlamp |
| 12 | Engine Control Module (Battery) |
| 13 | Fuel Injectors, Ignition Coils (Right Side) |
| 14 | Transmission Control Module (Battery) |
| 15 | Vehicle Back-up Lamps |
| 16 | Passenger Side Low-Beam Headlamp |
| 17 | Air Conditioning Compressor |
| 18 | Oxygen Sensors |
| 19 | Transmission Controls (Ignition) |
| 20 | Fuel Pump |
| 21 | Fuel System Control Module |
| 22 | Headlamp Washers |
| 23 | Rear Windshield Washer |
| 24 | Fuel Injectors, Ignition Coils (Left Side) |
| 25 | Trailer Park Lamps |
| 26 | Driver’s Side Park Lamps |
| 27 | Passenger’s Side Park Lamps |
| 28 | Fog Lamps |
| 29 | Horn |
| 30 | Passenger Side High-Beam Headlamp |
| 31 | Daytime Running Lamps (DRL) (If Equipped) |
| 32 | Driver Side High-Beam Headlamp |
| 33 | Daytime Running Lights 2 (If Equipped) |
| 34 | Sunroof |
| 35 | Key Ignition System, Theft Deterrent System |
| 36 | Windshield Wiper |
| 37 | SEO B2 Upfitter Usage (Battery) |
| 38 | Electric Adjustable Pedals |
| 39 | Climate Controls (Battery) |
| 40 | Airbag System (Ignition) |
| 41 | Amplifier |
| 42 | Audio System |
| 43 | Miscellaneous (Ignition), Cruise Control |
| 44 | Liftgate Release |
| 45 | Airbag System (Battery) |
| 46 | Instrument Panel Cluster |
| 47 | 2008-2010: Power Take-Off 2011-2014: Not used |
| 48 | 2008-2010: Auxiliary Climate Control (Ignition), Compass-Temperature Mirror 2011-2014: Auxiliary Climate Control (Ignition) |
| 49 | Center High-Mounted Stoplamp (CHMSL) |
| 50 | Rear Defogger |
| 51 | Heated Mirror |
| 52 | SEO B1 Upfitter Usage (Battery) |
| 53 | Cigarette Lighter, Auxiliary Power Outlet |
| 54 | 2008-2010: Automatic Level Control Compressor Relay, SEO Upfitter Usage 2011-2014: Automatic Level Control Compressor Relay |
| 55 | Climate Controls (Ignition) |
| 56 | Engine Control Module, Secondary Fuel Pump (Ignition) |
| J-Case Fuses | |
| 57 | Cooling Fan 1 |
| 58 | Automatic Level Control Compressor |
| 59 | Heavy Duty Antilock Brake System |
| 60 | Cooling Fan 2 |
| 61 | Anti-lock Brake System 1 |
| 62 | Starter |
| 63 | Stud 2 (Trailer Brakes) |
| 64 | Left Bussed Electrical Center 1 |
| 65 | Electric Running Boards |
| 66 | Heated Windshield Washer System |
| 67 | 2008-2010: Four-Wheel Drive System 2011-2014: Transfer Case |
| 68 | Stud 1 (Trailer Connector Battery Power) |
| 69 | Mid-Bussed Electrical Center 1 |
| 70 | Climate Control Blower |
| 71 | Power Liftgate Module |
| 72 | Left Bussed Electrical Center 2 |
| Relays | |
| FAN HI | Cooling Fan High Speed |
| FAN LO | Cooling Fan Low Speed |
| FAN CNTRL | Cooling Fan Control |
| HDLP LO/HID | Hi Intensity Discharge Headlamp |
| FOG LAMP | Front Fog Lamps |
| A/C CMPRSR | Air Conditioning Compressor |
| STRTR | Starter |
| PWR/TRN | Powertrain |
| FUEL PMP | Fuel Pump |
| PRK LAMP | Parking Lamps |
| REAR DEFOG | Rear Defogger |
| RUN/CRANK | Switched Power |


